
撰文 | 冬鸢
审校 | 黄雨佳
如果你在赤道附近潜入温暖的印度洋-太平洋海域,运气好的话,你可以在浅海的沙子或珊瑚礁中发现一些长着爱心形状的贝类生物,它们叫作心鸟蛤(Corculum cardissa and spp.)。它们漂亮的外壳和你在海边捡到的扇贝,饭桌上吃的生蚝、蛤蜊,甚至路边的石头一样,主要成分都是碳酸钙。

心鸟蛤的外壳有两面,一面总是朝着太阳,一面总是朝着沙子,中间夹着它们柔软的身体。如果朝太阳的那一面脏了,心鸟蛤就会从壳里伸出自己叫作“足”的结构,清理壳上的沙土。这些外壳看似结构简单,但当科学家用高精度显微镜观察它们时,却惊掉了下巴。

他们发现,心鸟蛤朝太阳的那一面外壳,表面附着着密密麻麻的透明“小窗”,平均尺寸不到1平方毫米。这些“小窗”下藏着一束一束的、紧密排列的、比头发丝还细的纤维结构,其成分为碳酸钙的一种透明结晶形式——文石。如果朝这些纤维的一端射入一束光,光就会沿着纤维传播,从另一侧射出。而且从这些纤维的一端,还能清晰地看到位于另一端的图像,分辨率极高:在每毫米长度内,甚至能分辨出100条线。

这种结构,让科学家感到既陌生又熟悉。陌生是因为他们此前从未在自然界中发现过类似的结构,熟悉是因为它像极了现代人类科技文明中随处可见的光缆(fiber optic cables)的结构。
没有光纤就没有现在
一百多年前,人类最先进的远距离信息传输技术还是电话和电报。人们通过电话或电报发出的信息会被转化为电信号,然后以铜质电线为载体传播到另一个地方。但铜质电线能传播的信息量和距离十分有限,电信号容易衰弱丢失,还十分容易受到到周围电磁场等的影响。
后来,人们发明了光纤。从此,更大规模、更稳定、距离更远的电子信息传播技术成为可能。

光纤的核心通常是由玻璃或塑料等透明介质构成的细长管道,能允许光在其内传播。当一束光以特定角度进入光纤内部,会在内壁上不断发生全反射,并沿着光纤一直向前传播。而如果我们将进入光纤的光束转化为一段一段的光脉冲,那就可以让它们带上二进制的信息(比如将有光和无光时分别编码为1和0),沿着光纤传播到很远的地方。

将许多光纤集合在一起,就成了光缆。相比于由铜质电线组成的电缆,光缆可以一次性传输更大量的信息,传播距离也更远,还不易受外界影响。因此,光缆让人类世界有了更多的可能。如今的互联网、电视信号等的传播都离不开光缆。光缆将人类世界的信息连接了起来,有些人工铺设的光缆,甚至可以横跨整个大洋。

可以说,没有光纤和光缆,我们或许没法拥有能联通全球的互联网,人类现代的数字文明或许也没法存在。
但就是这样一种足以代表人类先进高科技文明的技术,却出现在了心鸟蛤这样简单的软体动物体内。这到底是疯狂科学家的离谱实验,还是外星人或海底神秘文明的残留痕迹?
为了室友装光缆
当然都不是,这只是生命的奇迹而已。心鸟蛤壳上的“光缆”,是它们在演化过程中自己形成的,而这些光缆的作用不容小觑。
和蛤蜊、牡蛎、贻贝一样,心鸟蛤是属于双壳纲的软体动物。通常来说,动物都需要自己去寻找食物来维持生存。但在双壳纲动物中,有两类独立演化出了与光合作用藻类共生的能力,一类叫作大砗磲(Tridacninae),另一类便是心鸟蛤。

大砗磲和心鸟蛤的外套膜、鳃和足里生活着许多微小的甲藻(dinoflagellates),它们的外壳可以给甲藻提供稳定安全的生存环境,它们产生的二氧化碳等还可以被甲藻作为光合作用的原料。而作为回报,甲藻通过光合作用制造的糖,也成为了大砗磲和心鸟蛤重要的营养来源。
读到这里,有没有感觉有一丝不对劲?甲藻需要光合作用,但它们却生活在大砗磲和心鸟蛤的壳里面,那里面的环境不得黑黢黢的?甲藻光合作用所需的光又从哪里来呢?
对此,大砗磲的解决方案比较简单直接,它们会时不时地打开自己的壳,漏出里面柔软的身体,让生活在里面的甲藻沐浴到阳光,从而保证光合作用的进行。一些大砗磲物种甚至会主动将外套膜伸出外壳,以获取更多阳光。
但这也会让大砗磲柔软的身体失去坚硬外壳的保护,一不小心就会被捕食者撕烂或吃掉。相比之下,心鸟蛤则采用了更安全、也更加高级的方法——在外壳上装光缆。
教教人类吧
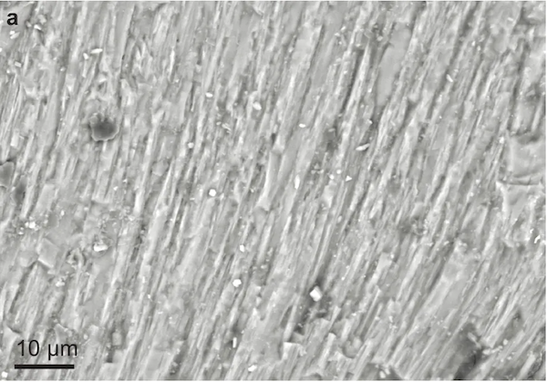
在两个月前发表于《自然·通讯》(Nature Communications)上的一项研究中,研究者采用高精度的激光扫描显微镜观察了心鸟蛤的壳。他们首先发现,壳上每个“小窗”下面,都有一个比沙子还小的半透明小凸起,成分依然是文石。计算机模拟表明,这些凸起起到了透镜的作用,能够将射入外壳“小窗”的阳光聚集成光束,送向心鸟蛤体内的甲藻。

随后,研究者换用扫描电镜继续观察这些“小窗”的精细结构,惊喜地发现了其中的“光缆”结构——这也是首次在自然界发现光缆结构。“在显微镜下,大多数心鸟蛤的外壳都具有分层结构,片状文石在不同方向堆叠,有些像花式砌砖。”论文第一作者,美国芝加哥大学的助理教授达科塔·麦科伊(Dakota McCoy)说,“然而,在壳上的’小窗’区域,文石顺着阳光射入的方向,排列成了紧密的细如发丝的纤维,而非片状结构。”
此外,这些光纤能够让阳光中的红光和蓝光——光合作用最需要的光——进入心鸟蛤的内部,还能选择性地避免会损伤DNA的紫外线进入。“光缆和透镜共同构成了一个系统,可以过滤掉不适宜波长的光,却能聚焦光合作用所需波长的光,使其能足够深入外壳内部,让共生的甲藻获得尽可能好的光照环境。”这项研究的作者之一,美国杜克大学的生物学教授桑克·约翰逊(Sönke Johnsen)说。
计算机模拟还显示,这些光缆的大小、形状和排列方式是最优的设计。在同等条件下,这样的设计能够将更多的光线送到心鸟蛤壳内。约翰逊表示,有朝一日,这些心鸟蛤或许能为人类纳米级光缆的设计提供新灵感,创造出能远距离传播且不容易丢失信号的纳米级光缆。
那么下一步,心鸟蛤是不是该开发Wi-Fi技术了?
社科在线


